技術參數 |
測量范圍:(300~6000)mm |
工作溫度:(-30~120)℃ |
工作壓力:0.6MPa、1.0MPa、1.6 MPa、2.5 MPa |
介質密度:≥(0.5-2.0)g/cm3 |
注:密度<0.8 g/cm3DN100 |
觸點容量:220V AC/24V DC 0.5A |
接點壽命:5×102次 |
防爆標志:本安型:ibIICT5 |
隔爆型:dIIBT5 |
電氣接口:M20×1.5內螺紋 |
過程連接:法蘭連接DN100 |
法蘭標準:HG20593-20635-97 |
注:其它法蘭標準或連接方式請用戶注明 |
|

|
|
產品選型編碼 |
UHC-51D |
□ |
不銹鋼304,316,316L |
接液材質 |
□ |
防腐型PP,PVC |

|
|
Q |
本安型:ibIICT5 |
防爆形式 |
B |
隔爆型:dIIBT5 |
T |
配隔離安全柵 |
|
□ |
(0~120)℃ |
工作溫度 |
|
□ |
0.6MPa、1.0MPa、2.5 MPa |
工作壓力 |
|
□ |
g/cm3 |
介質密度 |
|
□ |
單位mm |
訂貨長度 |
|
1 |
1個浮球多點控制 |
控制點數可帶記憶功能 |
2 |
2個浮球控制 |
3 |
3個浮球控制 |
4 |
4個浮球控制 |
N |
N個浮球控制 |
|
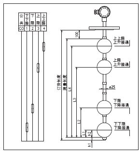
L1=mm下下限,下降接通 |
注:根據控制點數分別注明L1、L2、L3、L4并注明上升接通或下降接通 |
L2=mm下限,下降接通 |
L3=mm上限,上升接通 |
L4=mm上上限,上升接通 |
□ |
|
法蘭規格 |
|
|
UHC-51D □ □ □ □ □ □ □ □ |
|
|
|